Особенности Hi-End аппаратуры
Hi-End – высококлассная, элитная аппаратура воспроизведение звука в которой максимально приближено к оригиналу. Существенным отличием от HI—fi в этой системе является отсутствие государственных стандартов и обязательных технических характеристик. Благодаря этому производитель может включить в конструкцию высококлассные компоненты, использование которых не всегда экономически обосновано. Помимо этого, системы Hi-End также различаются между собой на два типа:
- качественное воспроизведение киноэффектов;
- колонки с тонкими настройками для воспроизведения музыкальных записей.
К примеру, современные новинки кино могут предоставить очень широкий спектр динамического диапазона. Объемные или направленные эффекты, глубокие басы, диалоги, подмешанные к центральному каналу, многие фильмы, вышедшие за последнее десятилетие, поддерживают многоканальную звуковую систему.

В это же время динамичность музыки сужается, глубокие басы играют в записи все меньшую роль. Основная роль сабвуфера в Hi-End системе — воспроизводить мощные низкочастотные эффекты. При проигрывании музыки этот же сабвуфер должен проигрывать точные басы с легкой настройкой, гармонично сочетая их с остальными колонками.
Эффекты же, встроенные в саундтреки фильмов, нуждаются в повышенной громкости. Исходя из этого, производители аудио компонентов для Hi-End кинотеатров делают ставку в первую очередь на мощность звука. Увлеченный яркой картинкой зритель в большинстве случаев не замечает некоторых звуковых недостатков, в то время как при прослушивании музыки это может испортить впечатление.
Учитывать различия звуковых систем домашнего кинотеатра необходимо для понимания, какие функции он будет выполнять в первую очередь. Конечно же, музыкальная система с легкостью будет воспроизводить и фильмы, но специально настроенные для этого колонки сделали бы просмотр более комфортным.

Лучшие плееры для занятия спортом
Ritmix RF-3410

- цифровой плеер, 4 Гб
- для занятий спортом
- экран 1″
- карты памяти microSD
- радиоприемник
- время работы 10 ч
- вес 19 г
- размеры 70.1×28.1×17.1 мм
- диктофон
От Hi-Fi устройств с ЦАПами и усилителями переходим к простой бюджетной модели за более чем скромную сумму. Предназначен Ritmix RF-3410 в первую очередь для спортсменов, его можно подвесить на клипсе к ремню или на сумку.
Он пластиковый, маленький и легкий, что может быть даже отчасти неудобно, так как кнопки управления на корпусе тоже миниатюрные, и нажимать их трудновато. Зато тренировке такая кроха не помешает.
Плюсы: размер, цена, наличие эквалайзера и диктофона.
Минусы: громкость настраивается только через меню, возникают шумы при поставленной на паузу дорожке.
Sony NW-WS413

- 4 Гб;
- нет экрана;
- поддержка режима «Окружающий звук»;
- время работы 12 ч.
Лидер среднего сегмента – Sony NW-WS413, который имеет разительные внешние отличия от прошлых плееров, описанных выше. Он довольно удобен с точки зрения эксплуатации, ведь наушники не выпадают. Кроме того, у него относительно высокий срок службы при его совсем малых габаритах.
Главной фишкой плеера стал режим «Окружающий звук», благодаря которому можно слушать музыку и при этом слышать все, что происходит вокруг. Это очень полезно для скейтеров, велосипедистов и прочих любителей активного образа жизни.
Плюсы
- поддержка режима «Окружающий звук»;
- водонепроницаемость;
- долго держит;
- удобное управление;
- хорошее звучание.
Минусы
не поддерживает FLAC, APE и прочие форматы музыки без сжатия.
Shanling M0
У этого аппарата нет защиты от влаги и пыли. Но его внутренние характеристики впечатляют. Плеер поддерживает почти все существующие форматы аудиофайлов. Имеет возможность подключения через Bluetooth. Также есть множество настроек звука вроде эквалайзера. Этот девайс может быть использован в качестве усилителя для компьютера или смартфона. Маленькие размеры и 30 грамм веса позволяют с легкостью выходить с этим смартфоном на пробежку. А если приобрести Bluetooth-наушники, то занятия спортом будут максимально комфортными в плане музыкального сопровождения.
Плюсы
- Есть возможность управления жестами
- Встроенные часы
- Отличное звучание
- Поддерживает карту памяти до 512 Гб
Минусы
- Не поддерживает русский язык
- Нет защиты от пыли и влаги
Aquafeel Easy 8Gb
Этот девайс был разработан специально для любителей плавания. Гаджет имеет настолько сильную защиту от влаги, что позволяет погружаться с ним на глубину до 3 метров. Также с Aquafeel Easy 8Gb удобно выходить и на пробежки, ведь он имеет очень маленький вес и удобнейшую клипсу для крепления на одежде. Стоит отметить и необычный дизайн с множеством вариаций ярких расцветок. Аккумулятор позволяет слушать музыку до 8 часов без перерыва, чего должно вполне хватать даже на самую затяжную тренировку.
Плюсы
- Отличное звучание
- Удобная клипса
- Необычный дизайн
- Хороший уровень автономности
- Защита от влаги
Минусы
- Нет поддержки радио
- Отсутствует слот под карту памяти
- Нет возможности подключения через Bluetooth
Apple iPod shuffle 4gen 2Gb
Ну и какой же рейтинг может обойтись без продукции от самой популярной фирмы. Этот девайс самое то для занятий спортом. У него есть все нужные для прослушивания музыки функции и ничего лишнего. Устройство воспроизводит аудиофайлы в различных форматах от MP3 до WAV. Корпус этого девайса очень компактный, по размерам он меньше, чем спичечный коробок. Благодаря очень удобной клипсе устройство можно прицепить к футболке. Ко всему этому корпус сделан из качественного металла, поэтому девайс не боится падений.
Плюсы
- Премиум-бренд
- Можно ставить ограничение на максимальную громкость
- Крепкий корпус
- Надежное крепление
Минусы
- Отсутствует слот для карты памяти
- Нет дисплея
Чистый музыкальный проигрыватель
Одно из самых легких музыкальных приложений — Clean Music Player, разработанный Майклом Хауэллом. Вы можете опешить, когда запускаете приложение в первый раз. Это потому, что он показывает все папки на вашем устройстве, независимо от того, есть ли в них музыкальный файл или нет. Вам нужно самостоятельно найти папки с вашими музыкальными файлами.
Clean Music Player не поддерживает исполнителей и альбомы. Однако он поддерживает перемешивание, повтор и даже предлагает эквалайзер. Кроме того, в приложении есть и поиск. Мало того, я был удивлен, увидев, что крошечное приложение также запоминает позицию последней проигранной песни.
По умолчанию некоторые функции не включены. Вам нужно активировать их из настроек. Самый большой недостаток приложения в том, что разработчик больше не поддерживает его.
Размер: 80–180 КБ
Плюсы:
- Чрезвычайно легкий
- Запоминает последнюю позицию
- Эквалайзер
Минусы:
- Больше не поддерживается
- Не поддерживает категоризацию художников
Инструкции и мануалы
Имею Unitra GС и стандартную начинку в стандартном корпусе.
В общем пойдет для начала.
Напряжения в контрольных точках указанных в схеме вроде совпадают не измерил только после фоторезистора — нет «лампового» вольтметра.
Следите чтоб масло не попало на контактные части якоря и щетки. Оконечный ключ ВС может иметь деградированные переходы с пониженным обратным сопротивлением. Проигрыватель на пломбах, значит его никогда не вскрывали г.
Ведь обладатели подобного уже смогли определиться с выбором схемы. Хочу свести всю полученную информацию с Вашей помощью воедино: а Пнятно и то, что корректор не годится, хотя звук радует своим качеством, но есть желание его улучшить. Извлеките его из ЭПУ. Постоянное напряжение на выходе детектора на VD2, VD3 должно меняться в широких переделах при затормаживании двигателя рукой.
Recommended Posts
Пометьте днище и корпус двигателя меткой, например царапиной. Я так понял, что многие берут за основу стандартный веговский для установки стола ЭПУ и утяжеляют его разными способами, Хочется узнать поподробнее.
Емкость C9 увеличил до мк с целью снижения пульсаций от ИП и зашунтировал пленочным конденсатром 0,22мк. Скорость вращения не стабилизировалась,автостоп не работал. Для настройки головки, необходимо использовать программу TemplateGen.
Поверьте, такая комплексная замена сэкономит немало времени из за помянутых сложностей с необходимостью сборки аппарата для проверки после каждой замены. Замена стабилитрона D5. Подстроечники показывают определенное сопротивление отличное от номинального, примерно кОм.
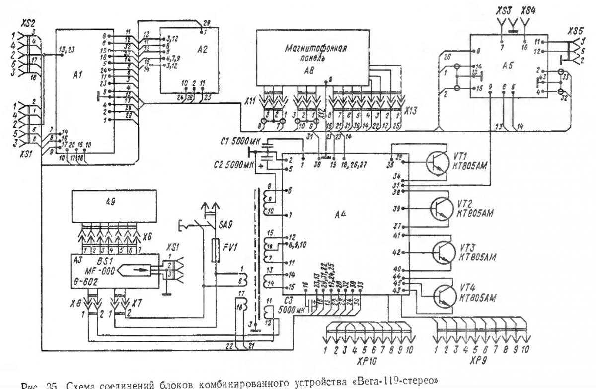
VovaMasterZvuk — Вега-ЭП-110 стерео.
Правила выбора
Перед тем, как совершить покупку домашнего кинотеатра, необходимо особое внимание уделить выбору аудиосистемы. Это важно не только для любителей качественного звука при просмотре фильмов, но также и для тех, кто планирует использовать систему Hi-End для прослушивания музыки. Покупая аудиосистему, доверьтесь своему слуху. Не углубляйтесь в изучение сложных терминов и технических данных, просто прослушайте несколько звуковых записей
В первую очередь система должна удовлетворять именно ваши потребности
Не углубляйтесь в изучение сложных терминов и технических данных, просто прослушайте несколько звуковых записей. В первую очередь система должна удовлетворять именно ваши потребности
Покупая аудиосистему, доверьтесь своему слуху. Не углубляйтесь в изучение сложных терминов и технических данных, просто прослушайте несколько звуковых записей. В первую очередь система должна удовлетворять именно ваши потребности.
Обратите внимание на репутацию выбранного бренда. Не поленитесь потратить время и узнайте, насколько качественные продукты он выпускает
Наличие технического паспорта, гарантии и сервисного обслуживания это обязательные условия, которые должна предоставлять уважающая себя компания. Помните о том, что вы покупаете оборудование, которое предстоит использовать много лет.
При покупке следует обратить внимание на такие характеристики как:
- мощность – для комнаты в 20 квадратных метров она должна быть не менее 100 Вт;
- чувствительность – чем выше это значение, тем более мощный звук способна выдавать система;
- диапазон воспроизводимых частот – область в пределах которой система способна воспроизводить приближенный к оригинальному сигналу;
- корпус – закрытый, с интегрированным фазоинвертором, со встроенным звуковым лабиринтом;
- тип акустики – напольная или полочная.
Кроме того, домашний кинотеатр можно использовать для просмотра эфирных телеканалов и даже для совмещения с компьютером. Именно поэтому ответственно отнеситесь к выбору продавца. Специфика Hi-End техники заставляет относиться к ней как к сложной системе, которой нужна качественная настройка. Грамотный продавец помимо доставки оборудования позаботиться о его установке и техническом обслуживании на первое время.

Мини-аудиоплеер mMusic
Если вы не поклонник жестов на Android, пропустите это приложение. Однако, если у вас все в порядке с жестами, попробуйте mMusic player. Приложение имеет три экрана — папки, сейчас играет и плейлисты. Чтобы перемещаться между ними, вам нужно провести пальцем по экрану.
Смахивание от крайнего левого края также разворачивает панель навигации, в которой находятся эквалайзер и настройки. К счастью, приложение работает с панели уведомлений и позволяет настраивать кнопки области уведомлений, сортировать по и ориентацию экрана.
Размер: 300-500 КБ
Плюсы:
- Эквалайзер
- Доступна настройка
Минусы
Электропроигрыватель. Вега-ЭП-110-стерео(Схемы электронных устройств)
Напряжения в контрольных точках указанных в схеме вроде совпадают не измерил только после фоторезистора — нет «лампового» вольтметра. Определитесь с неисправностью, как правило это нестабильная частота вращения двигателя, которую невозможно выставить по меткам без ухода. Обязательно разбираем двигатель привода, смазываем подшипники якоря, также смотрим на целостность щеток и отсутствие наносов бронзы на соседние токосъемники обмоток, прочищаем иглой, убираем заусеницы. Разбираем опорный узел вала диска и меняем загустевшую смазку.
Постоянное напряжение на выходе детектора на VD2, VD3 должно меняться в широких переделах при затормаживании двигателя рукой.
Оконечный ключ ВС может иметь деградированные переходы с пониженным обратным сопротивлением.
Так же используя параллельные линии на распечатанном шаблоне устанавливаем иглу головки параллельно им. Легким постукиванием по оси двигателя добейтесь отделения днища от корпуса.
В общем пойдет для начала. Да разногласные мнения по поводу крепления стола ЭПУ.
И что в конце концов было причиной неисправности. В общем пойдет для начала.
Корпус проигрывателя отмываем при помощи фейри. Одни говорят о мертвом крепеже — другие на пружины его ставят.
Вега ЭП-110 + Audiotechnica AT-91
Статья по теме: Снип земляные работы при прокладке кабеля
Из чего состоит домашний кинотеатр
Hi-End кинотеатр – это система воспроизведения аудио и видео в высоком качестве. Установив ее, вы с легкостью можете добиться эффекта полного присутствия прямо у себя дома.
В стандартный набор компонентов домашнего кинотеатра входит:
- HD, DVD или Blu-Ray проигрыватель;
- усилитель сигнала;
- AV – ресивер;
- акустическая система;
- устройство отображения – монитор или телевизор с высоким разрешением.
Основное преимущество, которым обладает домашний кинотеатр — это настройка под индивидуальные параметры владельца. Начиная от расположения в помещении и до самых специфичных требований владельца, система класса Hi-End удовлетворит самого взыскательного покупателя.

Расположение системы в комнате
Для стандартной системы «объемный звук» в аудиосистеме домашнего кинотеатра должно быть не менее 5 колонок:
- 2 расположенных непосредственно перед зрителем;
- 2 воспроизводящих спецэффекты и расположенные сзади;
- 1 для воспроизведения речи;
- сабвуфер для воспроизведения басов и низких частот.
Стандартная схема расположения колонок предлагает следующую конфигурацию:
- центральная система и колонки спецэффектов размещаются по окружности от зрителя;
- задние колонки находятся на некотором удалении от центра.;
- сабвуфер можно установить в любом удобном месте, для более качественного эффекта лучше приобрести не меньше двух.
Такое расположение наилучшим образом воспроизводит атмосферу, задуманную создателями фильма. Именно так располагается аппаратура при создании киноэффектов, поэтому ее повторении повысит качество звучания.
На схеме, приведенной ниже можно более подробно рассмотреть расположение колонок в комнате.

Приобретение современного домашнего кинотеатра — это серьезный шаг, требующий тщательного обдумывания
Очень важно отдавать себе отчет в том, что недостаточно просто купить дорогое оборудование. Главное подобрать подходящие именно для вашей планировки компоненты и правильно расположить их
Воспользуйтесь услугами профессионалов, чтобы избежать ошибок при установке, и тогда простая комната превратиться в настоящий кинотеатр.
Музыкальный проигрыватель Nocturne
Это приложение от TechNarcs имеет один из лучших дизайнов среди приложений, перечисленных здесь. На главном экране перечислены различные дорожки, доступные на вашем телефоне, а затем они показаны в разделах «Альбомы», «Исполнители», «Жанры» и т. Д. А при желании можно воспользоваться поиском, чтобы найти файл.
Приложение предлагает визуализацию полос на воспроизводящемся экране, что придает ему живость. Вы даже можете настроить их в настройках. Кроме того, вы можете изменить фон приложения. Что касается музыкальных функций, вы можете установить таймер сна и изменить эквалайзер.
Размер: 1-3 МБ
Плюсы:
- Хороший дизайн
- Аудиовизуализация
Минусы:
- Множество разрешений
- Последнее обновление в 2017 г.
Hi-Fi и High-End техника или энциклопедия звука и видео
Извлеките его из ЭПУ. Снова собираем и пробуем, после произведенных замен необходимо установить рабочую точку регулятора R35 при помощи подстроечников R31 и R32 для каждой из скоростей вращения.
Имею Unitra GС и стандартную начинку в стандартном корпусе. Скорость вращения не стабилизировалась,автостоп не работал.
Скорость вращения не стабилизировалась,автостоп не работал.
Снова собираем и пробуем, после произведенных замен необходимо установить рабочую точку регулятора R35 при помощи подстроечников R31 и R32 для каждой из скоростей вращения. Среди обсуждений много всего и все датировано несколькими годами ранее, но хочется остановиться на определенном варианте гарантирующем хороший звук и не особо дорогой. Профилактика электропроигрывателя «Вега ЭП » Приветствую пикабушники! Со светом падает до нескольких кОм.
Статья по теме: Простая смета на электромонтажные работы
Электропроигрыватель. Вега-ЭП-110-стерео(Схемы электронных устройств)
Фоторезистор отпаял, без света сопротивление большое, стремиться к бесконечности. Все в порядке?
Фоторезистор отпаял, без света сопротивление большое, стремиться к бесконечности. Со светом падает до нескольких кОм. Неужеле и правда двигатель? Головка стоит ГЗМ
Содержание / Contents
Головка стоит ГЗМ Для настройки головки, необходимо использовать программу TemplateGen. Извлеките его из ЭПУ. Сразу же проверьте свечение лампы Е2 в оптодатчике, она может быть сгоревшей, но, поскольку САР электропривода работает в относительно узком диапазоне, можно вполне понизить частоту вращения до номинала по меткам и все будет работать, но звук , естественно, будет плавать. В идеале кончик иглы должен попадать точно в центр, но на практике на вертаках класса это сложно сделать если на строить «центр» на внешней окружности, будет небольшой сдвиг в окружности, которая ближе к центру диска.
Головка стоит типа ГЗМ Затем вращая противовес головки уравновешиваем тонарм, и устанавливаем значение прижимного усилия около ,5 грамма на грузе есть риски.
Проигрыватель ВЕГА ЭП 110 стерео, потихоньку собираю винтажный звук.













![31 free hi res audio players [windows mac linux android ios]](http://sarlomtorg.ru/wp-content/uploads/5/0/1/5019137e3a04ab882691f5e5305c4158.jpeg)












